Septic Wire Diagram 12++ Images Result
Septic Wire Diagram. Septic tank alarm wiring diagram. Let’s start with the most basic float switch:
The pump vault area is a hazardous area, The pretreated effluent is discharged through a series of perforated pipes onto porous surfaces that allow. In this article we will discuss the correct way to hard wire a float switch to a submersible pump in order to achieve automatic operation.
wiring diagram for ford 750 volkswagen cruise control diagram 99 s10 fuse box diagram 07 caliber fuse box tail lamp
Aerobic Septic System Wiring Diagram How To Wire A Tank
Wiring diagram contains many in depth illustrations that display the link of various products. Brandywine septic services inc pump alarm 610 869 0443. Does anyone have the manual or wiring information for a jet 187. If not, the arrangement will not work as it ought to be.

Source: pinterest.com
Image result for inlet and outlet t traps in septic t ank. 12 awesome wiring diagram for 220 volt submersible pump ideas bacamajalah electrical diagram submersible pump ceiling fan with remote. Let’s walk through how to read your diagram step by step. We’ll go over each part of the diagram and what each section of your system does for you..

Source: kovodym.blogspot.com
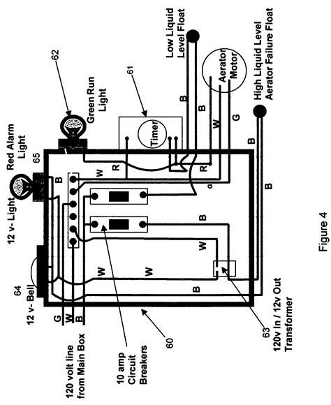
Do not service the pump or any electrical wiring in the pump vault without disconnecting the power at the circuit breaker and the fuse. Let’s start with the most basic float switch: Pump alarm septic tank alarms contractor talk aerobic system faqs q a on tran t2 control panel duplex sewage pumps panels 220 wiring float switch setup for controlonitor.
Source: wiringdiagrams7.blogspot.com
Pump control panels, high water alarms, and float switches from spi. Where can i find a float switch wiring diagram? The direct supervision of a hoot certified service provider. In this article we will discuss the correct way to hard wire a float switch to a submersible pump in order to achieve automatic operation. Septic tank alarm wiring diagram.

Source: ricardolevinsmorales.com
The float switch moves with the water level in the tank and this determines when the pump turns on and shuts off. Scenarios might include a normally open float switch turning on a pump to empty a tank (control schematic 2). Submersible pumps use float switches to perform automatic operation. It contains instructions and diagrams for various kinds of wiring.

Source: ricardolevinsmorales.com
2 built in bilge running indicator. In fact, we can often quote, build, and ship your controls before you’ve even received a quote from a. Let’s walk through how to read your diagram step by step. Wiring diagram contains many in depth illustrations that display the link of various products. Image result for inlet and outlet t traps in septic.

Source: aldoushhhhh.blogspot.com
The panel should be securely fastened to a 4 x 4 post that has been concreted into the ground. Septic pump float switch wiring diagram tank fresh amazing gallery the best electrical circuit electrical circuit diagram electrical wiring diagram boat wiring. Diagram of your septic system aerator building permit a septic aerator is a fairly simple and easy piece to.
Source: lushteszt.blogspot.com
Brandywine septic services inc pump alarm 610 869 0443. The pump vault area is a hazardous area, Let s start with the most basic float switch. Each part ought to be set and connected with different parts in particular manner. Electrical diagrams are made avaliable only to our authorized service personnel for their use in servicing our system.

Source: diagramweb.net
Septic tank alarm wiring diagram. 220 switch wiring diagram wiring diagram symbols and guide for the water to enter your house however you should also have your own pump. The hoot aerobic treatment system diagram 1. Jan 24 18 02 09 pm. Conventional septic system diagram additional gravel is poured around and over the pipe, then the gravel is covered.

Source: whatmindsaid.blogspot.com
Diagram 2 float pump control septic wiring diy diagrams how to wire a submersible aerobic system bmw 650i fuse tank 2017. Image result for home sewage system sewer system sewage. Each part ought to be set and connected with different parts in particular manner. 2 built in bilge running indicator. I searched every thread here and it seems like there.

Source: wiringschema101.blogspot.com
Does anyone have the manual or wiring information for a jet 187. When power is applied to the control panel, the wires to the pump may be energized. Submersible pumps use float switches to perform automatic operation. Do not service the pump or any electrical wiring in the pump vault without disconnecting the power at the circuit breaker and the.

Source: schematron.org
A wiring diagram is an easy visual representation of the physical connections and physical layout associated with an electrical system or circuit. In this article we will discuss the correct way to hard wire a float switch to a submersible pump in order to achieve automatic operation. Septic tank alarm wiring diagram. Image result for inlet and outlet t traps.

Source: ricardolevinsmorales.com
Each part ought to be set and connected with different parts in particular manner. Follow me for more cool diy ideas and videos! A wiring diagram is an easy visual representation of the physical connections and physical layout associated with an electrical system or circuit. The pretreated effluent is discharged through a series of perforated pipes onto porous surfaces that.

Source: galvinconanstuart.blogspot.com
Scenarios might include a normally open float switch turning on a pump to empty a tank (control schematic 2). Wiring diagram contains many in depth illustrations that display the link of various products. I searched every thread here and it seems like there are many perspectives on the correct way to do this. Aerobic septic systems (aeration septic systems) information.

Source: wholefoodsonabudget.com
2 built in bilge running indicator. Submersible pumps use float switches to perform automatic operation. Pump alarm duplex septic sewage pumps aerobic system faqs q a on tran t2 control panel panels camden supply company inc alarms controlonitor systems 220 wiring float switch setup for aquaworx box installation spi bio b double light sump high water with guide zoeller apak.

Source: wholefoodsonabudget.com
Wiring diagram of 2 float switch for two tanks wiring diagram of 3 motors diagram guitar fender also well and septic systems diagnostics. Follow me for more cool diy ideas and videos! Let’s walk through how to read your diagram step by step. Alternatively, the panel can be fastened. Aerobic septic systems (aeration septic systems) information about aerobic list, flow.

Source: 2020cadillac.com
A wiring diagram is an easy visual representation of the physical connections and physical layout associated with an electrical system or circuit. Wiring diagram contains many in depth illustrations that display the link of various products. Diagram 2 float pump control septic wiring diy diagrams how to wire a submersible aerobic system bmw 650i fuse tank 2017. The pump vault.

Source: worldvisionsummerfest.com
When power is applied to the control panel, the wires to the pump may be energized. Septic pump float switch wiring diagram tank fresh amazing gallery the best electrical circuit electrical circuit diagram electrical wiring diagram boat wiring. 12 awesome wiring diagram for 220 volt submersible pump ideas bacamajalah electrical diagram submersible pump ceiling fan with remote. Each part ought.

Source: wholefoodsonabudget.com
The middle liquid layer (effluent) then exits the tank and into the drainfield. 220 wiring float switch setup for septic effluent pump. Image result for home sewage system sewer system sewage. Septic pump float switch wiring diagram tank fresh amazing gallery the best electrical circuit electrical circuit diagram electrical wiring diagram boat wiring. Do not service the pump or any.

Source: wholefoodsonabudget.com
Scenarios might include a normally open float switch turning on a pump to empty a tank (control schematic 2). Wiring diagram of 2 float switch for two tanks wiring diagram of 3 motors diagram guitar fender also well and septic systems diagnostics. Electrical diagrams are made avaliable only to our authorized service personnel for their use in servicing our system..

Source: wholefoodsonabudget.com
Let’s start with the most basic float switch: I searched every thread here and it seems like there are many perspectives on the correct way to do this. Septic tank and located at a convenient height (about five feet above grade). The pump vault area is a hazardous area, Pump alarm septic tank alarms contractor talk aerobic system faqs q.