1963 Vw Bug Wiring 33+ Images Result
1963 Vw Bug Wiring. Distributor gets vacuum and centrifugal advance. Wed dec 14, 2011 7:32 pm post subject:
I have a 1963 vw beetle and i changed the 6 volt to a 12 volt. He painted the car and i have been trying to put the wires back in the right place. Do not contact me with unsolicited services or offers.
2015 f550 fuse diagram 1996 toyotum corolla radio wiring 1997 vw eurovan fuse box diagram peugeot 205 gti fuse box diagram
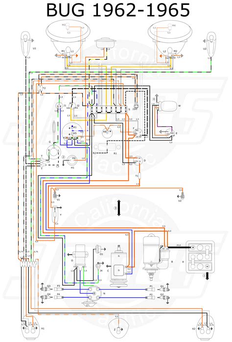
1962 Beetle Wiring Diagram
70 rows other wiring diagrams. Our wiring harness kits include detailed installation instructions and color coded wires. Fuel injection wiring diagram (pdf) 1963: Lots of recent work done.

Source: wiringforums.com
Distributor gets vacuum and centrifugal advance. The site for 1966 vw beetle owners and fans. Fuel injection wiring diagram (pdf) 1963: At jbugs, we offer a huge selection of 1963 volkswagen beetle electrical parts. 1963 volkswagen vw bug beetle resto mod with fresh 1776 motor.

Source: kelvin-okl.blogspot.com
Wed dec 14, 2011 7:32 pm post subject: 4 wheel disc conversion, updated steering, motor was just gone through with lots of new parts. If you haven't overhauled your vw's wiring system, it is likely the volkswagen's wires. Do not contact me with unsolicited services or offers. Our complete wiring loom will wire your entire car from headlights to taillights.

Source: schematron.org
1963 vw bug wire for horn i've just bought a new horn for my bug, but the wires that connected to the actual horn in the front of the car were very securely plugged into the horn, resulting in me breaking the prongs when trying to pull them off. Fuel injection wiring diagram (pdf) 1963: At jbugs, we offer a.

Source: svclassics.com
All kits are made from original wiring loom schematics and are factory color coded. Take a look at the numerous items and features it contains, including: 4 wheel disc conversion, updated steering, motor was just gone through with lots of new parts. Volkswagen beetle wiring diagram 1966 vw beetle wiring vw bug vw super beetle vw beetles enjoy up to.

Source: thegoldenbug.com
Take a look at the numerous items and features it contains, including: 4 wheel disc conversion, updated steering, motor was just gone through with lots of new parts. Illustrated below is the vw 1500 sedan and convertible u s. If you haven't overhauled your vw's wiring system, it is likely the volkswagen's wires. 1963 vw bug wiring harnesses with complete.

Source: wiringforums.com
Our wiring harness kits include detailed installation instructions and color coded wires. This is one of the most complete wiring systems in the industry. For sale 1963 vw beetle. 1963 vw bug wire for horn i've just bought a new horn for my bug, but the wires that connected to the actual horn in the front of the car were.

Source: svclassics.com
He painted the car and i have been trying to put the wires back in the right place. Detailed instruction sheets also included, but not shown. If you haven't overhauled your vw's wiring system, it is likely the volkswagen's wires. Lots of recent work done. At jbugs, we offer a huge selection of 1963 volkswagen beetle electrical parts.

Source: svclassics.com
For sale 1963 vw beetle. 70 rows other wiring diagrams. 1963 vw bug wiring harnesses with complete wiring diagrams. Our wiring harness kits include detailed installation instructions and color coded wires. So after replacing all the bulbs to 12 volt bulbs and the 3 prong flasher relay to a new 12 volt relay.

Source: thesamba.com
Needs some interior work but nothing major. I have their wiring harness and its nice. Take a look at the numerous items and features it contains, including: Illustrated below is the vw 1500 sedan and convertible u s. 1963 vw bug wire for horn i've just bought a new horn for my bug, but the wires that connected to the.

Source: thegoldenbug.com
I have a 1963 vw beetle and i changed the 6 volt to a 12 volt. 70 rows other wiring diagrams. Wiring loom complete for left hand drive us specification model. A battery b starter motor c generator / regulator d ignition starter. Distributor gets vacuum and centrifugal advance.

Source: svclassics.com
Wiring diagram for 1963 volkswagen bus. I have their wiring harness and its nice. He painted the car and i have been trying to put the wires back in the right place. I have a 1963 vw beetle and i changed the 6 volt to a 12 volt. Up to 20% cash back i am rewiring a 1963 vw bug.

Source: thegoldenbug.com
Wed dec 14, 2011 7:32 pm post subject: So after replacing all the bulbs to 12 volt bulbs and the 3 prong flasher relay to a new 12 volt relay. 1963 vw bug wiring harnesses with complete wiring diagrams. Illustrated below is the vw 1500 sedan and convertible u s. Wiring loom complete for left hand drive us specification model.
Source: wiring89.blogspot.com
I tried going by the wiring diagram you sent me but when i turn the key the alternator light on the dash still does. 70 rows other wiring diagrams. At jbugs, we offer a huge selection of 1963 volkswagen beetle electrical parts. These kits are great for repairing old dried out wiring, or replacing the wires after a new paint.
Source: bmwwiringdiagram.blogspot.com
Take a look at the numerous items and features it contains, including: Fuel injection wiring diagram (pdf) 1963: Fuel injection wiring diagram (pdf) 1963: At jbugs, we offer a huge selection of 1963 volkswagen beetle electrical parts. Wiring diagram for 1963 volkswagen bus.
Source: kelvin-okl.blogspot.com
Fuel injection wiring diagram (pdf) 1963: Our wiring harness kits include detailed installation instructions and color coded wires. 1963 volkswagen vw bug beetle resto mod with fresh 1776 motor. The guy i picked this up from did not understand wiring at all. It was designed for a 6 volt electrical system but can be used for a 12 volt system.

Source: thesamba.com
So after replacing all the bulbs to 12 volt bulbs and the 3 prong flasher relay to a new 12 volt relay. Volkswagen beetle wiring diagram 1966 vw beetle wiring vw bug vw super beetle vw beetles enjoy up to 15 off your order free shipping more. Great running and driving bug. The guy i picked this up from did.

Source: svclassics.com
Detailed instruction sheets also included, but not shown. 1963 vw bug wire for horn i've just bought a new horn for my bug, but the wires that connected to the actual horn in the front of the car were very securely plugged into the horn, resulting in me breaking the prongs when trying to pull them off. Bugthug _____ i.

Source: campcamp1212r.blogspot.com
For sale 1963 vw beetle. Great running and driving bug. Wiring diagram for 1963 volkswagen bus. 1963 vw bug wiring harnesses with complete wiring diagrams. Atk engines remanufactured crate engine for 2001 volkswagen passat audi a4 with turbo 18l l4 390899 estimated to ship direct from manufacturer on 100821 pending manufacturer availability.

Source: tugba-yurtsever.blogspot.com
Atk engines remanufactured crate engine for 2001 volkswagen passat audi a4 with turbo 18l l4 390899 estimated to ship direct from manufacturer on 100821 pending manufacturer availability. Our wiring harness kits include detailed installation instructions and color coded wires. At jbugs, we offer a huge selection of 1963 volkswagen beetle electrical parts. I tried going by the wiring diagram you.

Source: schematron.org
All kits are made from original wiring loom schematics and are factory color coded. A battery b starter motor c generator / regulator d ignition starter. 1963 vw bug wire for horn i've just bought a new horn for my bug, but the wires that connected to the actual horn in the front of the car were very securely plugged.